Please choose your delivery location

The selection of the country/region page can influence various factors such as price, shipping options and product availability.
My contact person
Hennlich, d.o.o.

Ulica Mirka Vadnova 13

4000 Kranj

+386 4 532 06 15
+386 4 5320620
SI(EN)

Special properties cross slide

High precision, extreme stiffening and precise alignment through CNC production

Available as standard and preload version

100% lubricant-free and completely corrosion-free

Adjustments by trapezoidal thread TR 10x2

Mounting of upper unit with right or left alignment possible

Available accessories (hand wheel, cursor ...)

Cross slide

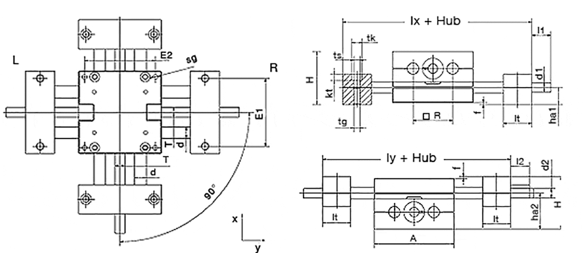
SHT-XY - XY table installation sizes

drylin SHT-XY-08-AWM XY table

SHT-XY-08-AWM

  • Max. stroke length: 150mm
  • Carriage length: 65mm
  • Shaft material: aluminium
  • Shaft diameter: 8mm
drylin SHT-XY-12-AWM XY table

SHT-XY-12-AWM

  • Max. stroke length: 350mm
  • Carriage length: 85mm
  • Shaft material: aluminium
  • Shaft diameter: 12mm

With spring pre-load - PL versions

drylin SHT-XY-12-AWM-PL XY table

SHT-XY-12-AWM-PL

  • Max. stroke length: 350mm
  • Carriage length: 85mm
  • Shaft material: aluminium
  • Shaft diameter: 12mm
  • With pre-load
drylin SHT-XY-20-EWM-PL XY table

SHT-XY-20-EWM-PL

  • Max. stroke length: 500mm
  • Carriage length: 130mm
  • Shaft material: stainless steel
  • Shaft diameter: 20mm
  • With pre-load

SHT/SHT-PL - cross slide


Cross slide lengths and weights [mm]

Order no. A
-0.3
[mm]
H
 
[mm]
E1
±0,15
[mm]
E2
±0,15
[mm]
Base-
length lx
[mm]
Base-
length ly
[mm]
R
 
[mm]
f
 
[mm]
lt
±0,1
[mm]
tk
 
[mm]
ts
 
[mm]
tg
 
kt
 
[mm]
pripravljeno za pošiljanje v 10 delovnih dneh SHT-XY-12 85 56 70 73 145 145 42 2 30 11 6,6 M8 6,4
pripravljeno za pošiljanje v 10 delovnih dneh SHT-XY-08 65 42 52 56 96 96 32 1,5 15,5 10 5,5 M6 7
pripravljeno za pošiljanje v 10 delovnih dneh SHT-XY-12-PL 85 56 70 73 145 145 42 2 30 11 6,6 M8 6,4
pripravljeno za pošiljanje v 10 delovnih dneh SHT-XY-20-EWM-PL 130 86 108 115 202 202 72 2 36 15 9 M10 8,6
More about selected part:
3D-CAD 3D-CAD
Sample request Sample request
PDF PDF
Quote request Quote request
myCatalog myCatalog

Cross slide dimensions [mm]

Order no. sg


d

[mm]
T

l1

[mm]
d1
Standard
d1
Alternativ
l2

[mm]
d2
Standard
d2
Alternativ
ha1

[mm]
ha2

[mm]
W
ha2-ha1
[mm]
pripravljeno za pošiljanje v 10 delovnih dneh SHT-XY-12 M6 12 17 TR10x2 6h9 17 6h9 18 38 20
pripravljeno za pošiljanje v 10 delovnih dneh SHT-XY-08 M5 8 TR6x2/TR6,35x2,54 15,5 TR6x2/TR6,35x2,54 5 15 5 13 29 16
pripravljeno za pošiljanje v 10 delovnih dneh SHT-XY-12-PL M6 12 17 TR10x2 6h9 17 6h9 18 38 20
pripravljeno za pošiljanje v 10 delovnih dneh SHT-XY-20-EWM-PL M8 20 26 TR18x4 - 26 12h9 23 63 40
More about selected part:
3D-CAD 3D-CAD
Sample request Sample request
PDF PDF
Quote request Quote request
myCatalog myCatalog
You can order the hand wheel of the y-axis to be mounted left or right.
Left: SHT-XY-12-AWM-L-200-300 for 200 mm stroke lengths in x-direction and 300 mm in y-direction.
Right: SHT-XY-12-AWM-R-200-300 for 200 mm stroke lenghts in x-direction und 300 mm in y-direction

Technical options for the SHT series

The following options can be delivered for the SHT-XY product range.


More information and cross slide accessories



pripravljeno za pošiljanje v 10 delovnih dneh

Izrazi "Apiro", "AutoChain", "CFRIP", "chainflex", "chainge", "verige za žerjave", "ConProtect", "cradle-chain", "CTD", "drygear", "drylin", "dryspin", "dry-tech", "dryway", "easy chain", "e-veriga", "sistemi e-verig", "e-keten", "e-ketensysteme", "e-loop", "energijske verige", "sistemi energijskih verig", "enjoyneering", "e-skin", "e-spool", "fixflex", "flizz", "i.Cee", "ibow", "igear", " iglidur", "igubal", "igumid", "igus", "igus izboljšujemo vse, kar se premika", "igus:bike", "igusGO", "igutex", "iguverse", "iguversum", "kineKIT", "kopla", "manus", "motion plastics", "motion polymers", "motionary", "plastika za daljšo življenjsko dobo", "print2mold", "Rawbot", "RBTX", "RCYL", "readycable", "readychain" , "ReBeL", "ReCyycle", "reguse", "robolink", "Rohbot", "savfe", "speedigus", "superwise", "take the dryway", "tribofilament", "tribotape", "triflex" , "twisterchain", "ko se premika, igus se izboljšuje", "xirodur", "xiros" in "yes" so zakonsko zaščitene blagovne znamke igus® SE & Co. KG/ Köln v ZRJ Nemčiji in po potrebi v nekaterih tujih državah. To ni popoln seznam blagovnih znamk (npr odprte prijave za uporabo znamke ali registrirane blagovne znamke) podjetja igus SE & Co. KG ali odvisnih podjetij igusa v Nemčiji, Evropski uniji, Združenih državah in/ali drugih državah ali jurisdikcijah.

igus® SE & Co. KG opozarja, da ne prodaja izdelkov podjetij Allen Bradley, B&R, Baumüller, Beckhoff, Lahr, Control Techniques, Danaher Motion, ELAU, FAGOR, FANUC, Festo, Heidenhain, Jetter, Lenze, LinMot, LTi DRiVES , Mitsubishi, NUM, Parker, Bosch Rexroth, SEW, Siemens, Stöber in vsi drugi proizvajalci pogonov, ki se omenjajo na tej spletni strani. Izdelki, ki jih ponuja igus®, so izdelki igus® SE & Co. KG