Please choose your delivery location

The selection of the country/region page can influence various factors such as price, shipping options and product availability.
My contact person
Hennlich, d.o.o.

Ulica Mirka Vadnova 13

4000 Kranj

+386 4 532 06 15
+386 4 5320620
SI(EN)

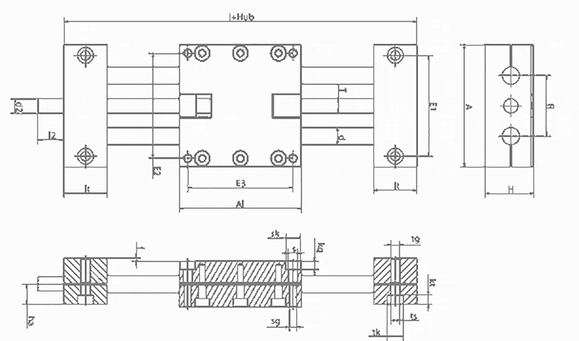
drylin® SHT-PL "Preload" - manual clearance adjustment

Special features

Absolute freedom from lubricants

Prestressed trapezoidal nut, preload force: 50 N

Manually and continuously adjustable radial clearance

Low weight due to aluminium and plastics

Tapered off spindle ends enable operation by hand wheel or motor

Temperature-resistant up to +80 °C



1 - Trapezoidal leadscrew nut with spring preload
2 - Radial clearance adjustable on both sides

Fitting for this articles:


SHT-PL - "Preload"

L max.:

 


Ordering of a complete system

Configuration in few steps:

1. Selection of the installation size
2. Selection of the stroke length in mm
3. Selection of the accessory parts

Hint:

Detailed information can be found below in the drawings and tables as well as in the below mentioned pages.

drylin® SHT-PL - complete system

Step 1

Select the installation size of the spindle-lift table.

technical drawing
Installation size:

Lengths and weights [mm]

Order no. Max.
stroke length
Weight
[kg]
Additional weight
per 100 mm
[kg]
Max. static
carrying capacity
Individual price for base stroke 100 mm  
axial
[N]
Radial
[N]
pripravljeno za pošiljanje v 3-4 delovnih dneh SHT-12-AWM-PL 750 1,1 0,1 700 2800 327,53 EUR Add to shopping cart
pripravljeno za pošiljanje v 3-4 delovnih dneh SHT-20-AWM-PL 1000 3,2 0,3 1600 6400 473,52 EUR Add to shopping cart
pripravljeno za pošiljanje v 3-4 delovnih dneh SHT-30-AWM-PL 1250 8,6 0,6 2500 10000 809,26 EUR Add to shopping cart
pripravljeno za pošiljanje v 10 delovnih dneh SHT-12-EWM-PL 750 1,3 0,2 700 2800 387,86 EUR Add to shopping cart
pripravljeno za pošiljanje v 10 delovnih dneh SHT-20-EWM-PL 1000 3,9 0,6 1600 6400 563,10 EUR Add to shopping cart
pripravljeno za pošiljanje v 10 delovnih dneh SHT-30-EWM-PL 1250 10,9 1,4 2500 10000 1.073,30 EUR Add to shopping cart
pripravljeno za pošiljanje v 10 delovnih dneh SHT-12-SWM-PL 750 1,3 0,2 700 2800 Upon request Add to shopping cart
pripravljeno za pošiljanje v 10 delovnih dneh SHT-20-SWM-PL 1000 3,9 0,6 1600 6400 Upon request Add to shopping cart
pripravljeno za pošiljanje v 10 delovnih dneh SHT-30-SWM-PL 1250 10,9 1,4 2500 10000 Upon request Add to shopping cart
More about selected part:
3D-CAD 3D-CAD
Sample request Sample request
PDF PDF
Quote request Quote request
myCatalog myCatalog

Dimensions [mm]

Order no. A
-0,3
Al
-0,3
H E1
±0,15
E2
±0,15
E3
±0,15
l R f lt
±0,1
tk ts
pripravljeno za pošiljanje v 3-4 delovnih dneh SHT-12-AWM-PL 85 85 34 70 73 74 145 42 2 30 11 6,6
pripravljeno za pošiljanje v 3-4 delovnih dneh SHT-20-AWM-PL 130 130 48 108 115 115 202 72 2 36 15 9
pripravljeno za pošiljanje v 3-4 delovnih dneh SHT-30-AWM-PL 180 180 68 150 158 158 280 96 4 50 20 13,5
pripravljeno za pošiljanje v 10 delovnih dneh SHT-12-EWM-PL 85 85 34 70 73 73 145 42 2 30 11 6,6
pripravljeno za pošiljanje v 10 delovnih dneh SHT-20-EWM-PL 130 130 48 108 115 115 202 72 2 36 15 9
pripravljeno za pošiljanje v 10 delovnih dneh SHT-30-EWM-PL 180 180 68 150 158 158 280 96 4 50 20 13,5
pripravljeno za pošiljanje v 10 delovnih dneh SHT-12-SWM-PL 85 85 34 70 73 73 145 42 2 30 11 6,6
pripravljeno za pošiljanje v 10 delovnih dneh SHT-20-SWM-PL 130 130 48 108 115 115 202 72 2 36 15 9
pripravljeno za pošiljanje v 10 delovnih dneh SHT-30-SWM-PL 180 180 68 150 158 158 280 96 4 50 20 13,5
More about selected part:
3D-CAD 3D-CAD
Sample request Sample request
PDF PDF
Quote request Quote request
myCatalog myCatalog
Order no. tg kt
±0,1
s sk sg kq d T l2 d2* standard ha
pripravljeno za pošiljanje v 3-4 delovnih dneh SHT-12-AWM-PL M8 6,4 6,3 10 M6 6 12 17 TR10x2 18
pripravljeno za pošiljanje v 3-4 delovnih dneh SHT-20-AWM-PL M10 8,6 6,4 11 M8 7 20 26 12 h9 23
pripravljeno za pošiljanje v 3-4 delovnih dneh SHT-30-AWM-PL M16 12,6 11 18 M12 10,6 30 38 14 h9 36
pripravljeno za pošiljanje v 10 delovnih dneh SHT-12-EWM-PL M8 6,4 6,3 10 M6 6 12 17 TR10x2 18
pripravljeno za pošiljanje v 10 delovnih dneh SHT-20-EWM-PL M10 8,6 6,4 11 M8 7 20 26 12 h9 23
pripravljeno za pošiljanje v 10 delovnih dneh SHT-30-EWM-PL M16 12,6 11 18 M12 10,6 30 38 14 h9 36
pripravljeno za pošiljanje v 10 delovnih dneh SHT-12-SWM-PL M8 6,4 6,3 10 M6 6 12 17 TR10x2 18
pripravljeno za pošiljanje v 10 delovnih dneh SHT-20-SWM-PL M10 8,6 6,4 11 M8 7 20 26 12 h9 23
pripravljeno za pošiljanje v 10 delovnih dneh SHT-30-SWM-PL M16 12,6 11 18 M12 10,6 30 38 14 h9 36
More about selected part:
3D-CAD 3D-CAD
Sample request Sample request
PDF PDF
Quote request Quote request
myCatalog myCatalog

* TR10x2 without machined spindle end


Fitting for this articles:

pripravljeno za pošiljanje v 24-48 urah drylin® E - product overview

The consistant development of the toolbox and system concept of the lubrication-free drylin® drive technology.

pripravljeno za pošiljanje v 24-48 urah
pripravljeno za pošiljanje v 3-4 delovnih dneh
pripravljeno za pošiljanje v 10 delovnih dneh

Izrazi "Apiro", "AutoChain", "CFRIP", "chainflex", "chainge", "verige za žerjave", "ConProtect", "cradle-chain", "CTD", "drygear", "drylin", "dryspin", "dry-tech", "dryway", "easy chain", "e-veriga", "sistemi e-verig", "e-keten", "e-ketensysteme", "e-loop", "energijske verige", "sistemi energijskih verig", "enjoyneering", "e-skin", "e-spool", "fixflex", "flizz", "i.Cee", "ibow", "igear", " iglidur", "igubal", "igumid", "igus", "igus izboljšujemo vse, kar se premika", "igus:bike", "igusGO", "igutex", "iguverse", "iguversum", "kineKIT", "kopla", "manus", "motion plastics", "motion polymers", "motionary", "plastika za daljšo življenjsko dobo", "print2mold", "Rawbot", "RBTX", "RCYL", "readycable", "readychain" , "ReBeL", "ReCyycle", "reguse", "robolink", "Rohbot", "savfe", "speedigus", "superwise", "take the dryway", "tribofilament", "tribotape", "triflex" , "twisterchain", "ko se premika, igus se izboljšuje", "xirodur", "xiros" in "yes" so zakonsko zaščitene blagovne znamke igus® SE & Co. KG/ Köln v ZRJ Nemčiji in po potrebi v nekaterih tujih državah. To ni popoln seznam blagovnih znamk (npr odprte prijave za uporabo znamke ali registrirane blagovne znamke) podjetja igus SE & Co. KG ali odvisnih podjetij igusa v Nemčiji, Evropski uniji, Združenih državah in/ali drugih državah ali jurisdikcijah.

igus® SE & Co. KG opozarja, da ne prodaja izdelkov podjetij Allen Bradley, B&R, Baumüller, Beckhoff, Lahr, Control Techniques, Danaher Motion, ELAU, FAGOR, FANUC, Festo, Heidenhain, Jetter, Lenze, LinMot, LTi DRiVES , Mitsubishi, NUM, Parker, Bosch Rexroth, SEW, Siemens, Stöber in vsi drugi proizvajalci pogonov, ki se omenjajo na tej spletni strani. Izdelki, ki jih ponuja igus®, so izdelki igus® SE & Co. KG