Please choose your delivery location

The selection of the country/region page can influence various factors such as price, shipping options and product availability.
My contact person
Hennlich, d.o.o.

Ulica Mirka Vadnova 13

4000 Kranj

+386 4 532 06 15
+386 4 5320620
SI(EN)

drylin® N - Low profile linear guide system NK-02-40

Version 02 with threaded hole:

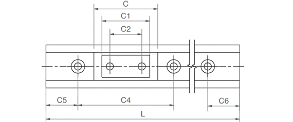
Order no. Max. rail lengths a C4 A3 C5=C6 h h1 K1* ly lz Weight of rail Price / m  
  [L max.]       Min. max.       [mm2] [mm2] [g/m]    
ready for shipping in 24-48 hours NS-01-40 3000 40 60 0 20 20/49,5 8,7 1,3 M4 26400 970 450 39,59 EUR Add to shopping cart
ready for shipping in 24-48 hours NS-01-40-UNGEBOHRT 3000 40 0 0 0 8,7 1,3 26400 970 450 35,44 EUR Add to shopping cart
ready for shipping in 24-48 hours NS-01-40-AR 3000 40 60 0 20 20/49,5 8,7 1,3 M4 26400 970 450 45,53 EUR Add to shopping cart
More about selected part:
3D-CAD 3D-CAD
Sample request Sample request
PDF PDF
Quote request Quote request
myCatalog myCatalog

For unbored rails please indicate "Unbored" in the remark.
* for cylinder screw with low head

Version 02 with threaded hole:

Order no. Designation Weight of carriage    
    [g]    
ready for shipping in 24-48 hours NW-02-40 Carriage clipped on, fixed bearing 30 8,14 EUR Add to shopping cart
ready for shipping in 24-48 hours NW-02-40-LLY Carriage clipped on, floating bearing y-direction 30 8,13 EUR Add to shopping cart
ready for shipping in 24-48 hours NW-02-40-LLZ Carriage clipped on, floating bearing z-direction 30 8,13 EUR Add to shopping cart
ready for shipping in 24-48 hours NW-02-40-LLYZ Carriage clipped on, floating bearing y and z-direction 30 8,13 EUR Add to shopping cart
More about selected part:
3D-CAD 3D-CAD
Sample request Sample request
PDF PDF
Quote request Quote request
myCatalog myCatalog

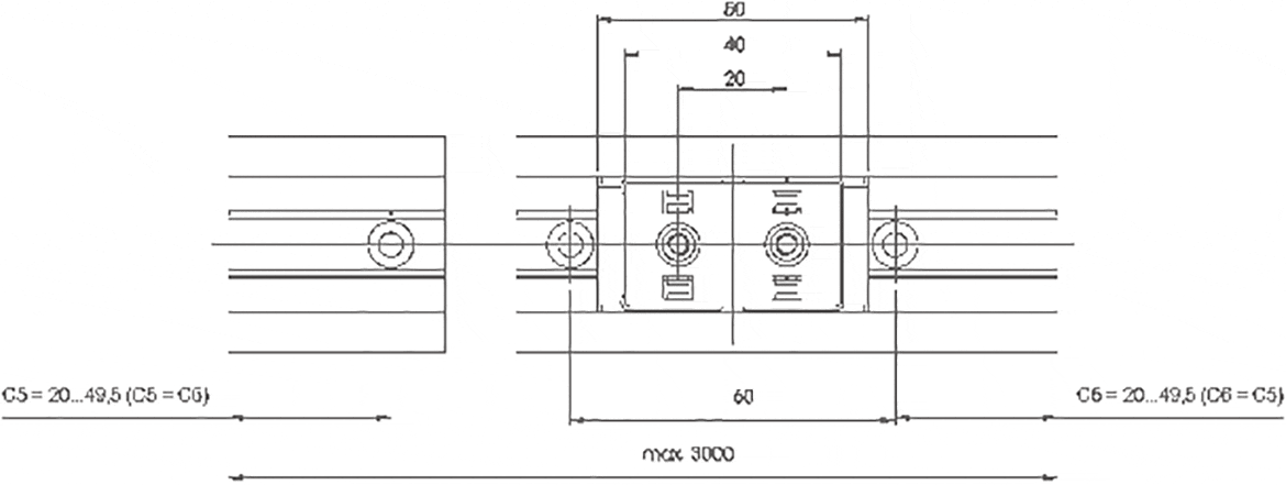
Version 02: Dimensions [mm] - guide carriages

Part. No. H A C C1 C2 A2 H2 K2 K3 K4 Spmin. DpØmin. Weight
  ±0,35                       [g/m]
ready for shipping in 24-48 hours NW-02-40 9,5 23 50 40 20 0 0 M4 5 6,5 30
ready for shipping in 24-48 hours NW-02-40-LLY 9,5 23 50 40 20 0 0 M4 5 6,5 30
ready for shipping in 24-48 hours NW-02-40-LLZ 9,5 23 50 40 20 0 0 M4 5 6,5 30
ready for shipping in 24-48 hours NW-02-40-LLYZ 9,5 23 50 40 20 0 0 M4 5 6,5 30
More about selected part:
3D-CAD 3D-CAD
Sample request Sample request
PDF PDF
Quote request Quote request
myCatalog myCatalog

Version 12 with threaded hole:

Order no. Designation Weight of carriage    
    [g]    
ready for shipping in 24-48 hours NW-12-40 Moulded carriage 30 8,14 EUR Add to shopping cart
ready for shipping in 10 working days NW-12-40-LLY Moulded carriage, floating bearing y-direction 30 8,13 EUR Add to shopping cart
ready for shipping in 24-48 hours NW-12-40-LLZ Moulded carriage, floating bearing z-direction 30 8,13 EUR Add to shopping cart
ready for shipping in 24-48 hours NW-12-40-LLYZ Moulded carriage, floating bearing y und z-direction 30 8,14 EUR Add to shopping cart
ready for shipping in 24-48 hours NW-12-27 Moulded carriage 12,5 4,94 EUR Add to shopping cart
ready for shipping in 10 working days NW-12-27-80 Carriage 25 9,47 EUR Add to shopping cart
More about selected part:
3D-CAD 3D-CAD
Sample request Sample request
PDF PDF
Quote request Quote request
myCatalog myCatalog

Version 12: Dimensions [mm] - guide carriages

Part. No. H A C C1 C2 A2 H2 K2 K3 K4 Spmin. DpØmin. Weight
  ±0,35                       [g/m]
ready for shipping in 24-48 hours NW-12-40 9,5 23 52 40 20 0 0 M4 5 6,5 30
ready for shipping in 10 working days NW-12-40-LLY 9,5 23 52 40 20 0 0 M4 5 6,5 30
ready for shipping in 24-48 hours NW-12-40-LLZ 9,5 23 52 40 20 0 0 M4 5 6,5 30
ready for shipping in 24-48 hours NW-12-40-LLYZ 9,5 23 52 40 20 0 0 M4 5 6,5 30
ready for shipping in 24-48 hours NW-12-27 9,5 14 34 30 20 0 0 M4 5 6,5 12,5
ready for shipping in 10 working days NW-12-27-80 0 14 80 76 60 0 1,5 M4 5 6,5 25
More about selected part:
3D-CAD 3D-CAD
Sample request Sample request
PDF PDF
Quote request Quote request
myCatalog myCatalog

Ordering of a complete system

Configuration in few steps:

1. Selection of the number of carriages
2. Selection of the type of carriagel
3. Entry of the rail length in mm
4. Selection of the carriage options
5.

Hint:

Detailed information can be found in the drawings and tables above, as well as in the below-mentioned pages. You can obtain precise specifications on the floating bearing options within the design rules.
1

no floating bearing

2

Floating bearing in z-direction

3

Floating bearing in y-direction

4

Floating bearing in yz-direction

drylin® NK – complete set

Step 1

Enter the required number of carriages.

technical drawing
No. of carriages:

Carriage length in version NW-12-40: 52 mm

A = M4 (max. press-fit 1,2 Nm)
B = Bores min.Ø 6,5
C = for machine screws M4, DIN 7984 / DIN 6912 / DIN 84, EN ISO 1707 / EN ISO 7045

Static load capacity and moments of inertia of an area

Optional:

End cap for rail,
Order no.  NSK-40

ready for shipping in 24-48 hours
ready for shipping in 10 working days

Izrazi "Apiro", "AutoChain", "CFRIP", "chainflex", "chainge", "verige za žerjave", "ConProtect", "cradle-chain", "CTD", "drygear", "drylin", "dryspin", "dry-tech", "dryway", "easy chain", "e-veriga", "sistemi e-verig", "e-keten", "e-ketensysteme", "e-loop", "energijske verige", "sistemi energijskih verig", "enjoyneering", "e-skin", "e-spool", "fixflex", "flizz", "i.Cee", "ibow", "igear", " iglidur", "igubal", "igumid", "igus", "igus izboljšujemo vse, kar se premika", "igus:bike", "igusGO", "igutex", "iguverse", "iguversum", "kineKIT", "kopla", "manus", "motion plastics", "motion polymers", "motionary", "plastika za daljšo življenjsko dobo", "print2mold", "Rawbot", "RBTX", "RCYL", "readycable", "readychain" , "ReBeL", "ReCyycle", "reguse", "robolink", "Rohbot", "savfe", "speedigus", "superwise", "take the dryway", "tribofilament", "tribotape", "triflex" , "twisterchain", "ko se premika, igus se izboljšuje", "xirodur", "xiros" in "yes" so zakonsko zaščitene blagovne znamke igus® SE & Co. KG/ Köln v ZRJ Nemčiji in po potrebi v nekaterih tujih državah. To ni popoln seznam blagovnih znamk (npr odprte prijave za uporabo znamke ali registrirane blagovne znamke) podjetja igus SE & Co. KG ali odvisnih podjetij igusa v Nemčiji, Evropski uniji, Združenih državah in/ali drugih državah ali jurisdikcijah.

igus® SE & Co. KG opozarja, da ne prodaja izdelkov podjetij Allen Bradley, B&R, Baumüller, Beckhoff, Lahr, Control Techniques, Danaher Motion, ELAU, FAGOR, FANUC, Festo, Heidenhain, Jetter, Lenze, LinMot, LTi DRiVES , Mitsubishi, NUM, Parker, Bosch Rexroth, SEW, Siemens, Stöber in vsi drugi proizvajalci pogonov, ki se omenjajo na tej spletni strani. Izdelki, ki jih ponuja igus®, so izdelki igus® SE & Co. KG